LITZHAUS[○TOP][○シンセサイザ技術][○CMU-800関連][○DCB関連][○電子楽器・電子工作等]
[○さるべーじ][○ばいく][●リンクなど][戻る]
2004/6/28

CMU-800情報 #1


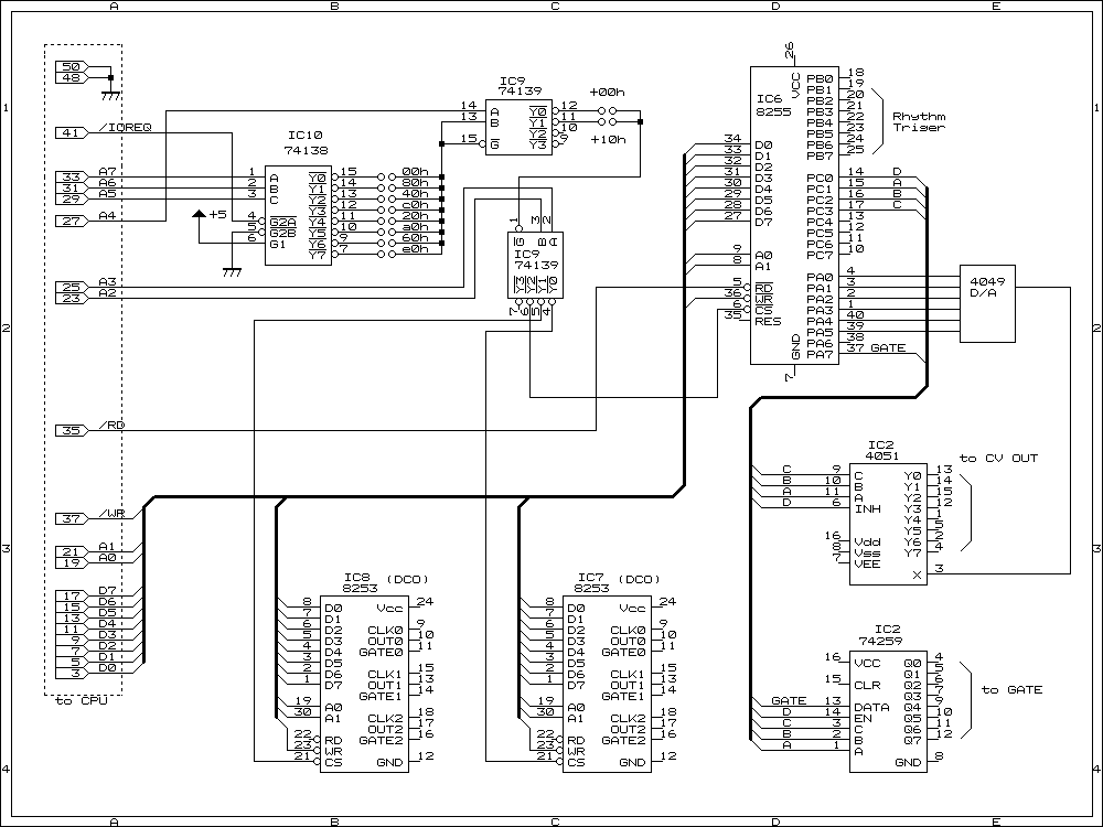
若干リクエストがあったので、CMU-800のデジタル部の回路図です。

CMU-800デジタル部回路図 駆動に必要でない一部の配線は省略してあります。

これも、自分用のメモなので間違えがあるかもしれません。こちらのページと照らし合わせていただけると良いかと思います。

うまく動かなかった場合、LS139の出力にプローブを当てて/CSがちゃんと反応しているか見てください。動かない場合は、アドレスを間違えている可能性が高いです。(中古などの場合、CMU側のI/Oアドレスが弄られているかもしれません。)
アドレス指定さえ出来れば、あとは、8255と8253の駆動だけです。このあたりは、色々なサンプルプログラムが沢山ありますので、ググってみてください。
僕は、手軽にH8Tinyを使ってしまいましたが、PICなんかでも駆動できそうです。(H8Tinyは、シンプルな構成の割にマシンパワーがあるので、マイコン苦手でも力技で何とかなってしまうので好きです。)


このサイトは特に断りのあるコンテンツを除きリンク・転載フリーです。うるさい事は言いません。

しょんぼりかうんたー
(c)1995-2017 LITZHAUS